Stiebel Eltron PSH 120 WE-H
Kód: 236239Související produkty
Detailní popis produktu
- zvislé alebo ležaté vyhotovenie
- ergonomicky tvarované úchyty
- možnosť inštalácie nad vaňu
- samostatná jímka pre snímač externého zdroja tepla
- vonkajšie nastavenie optimálnej teploty ohrevu prevádzkovým termostatom
- bezpečnostný termostat
- poistka proti zamrznutiu vody
- poistka proti prehriatiu ohrievača s funkciou resetu
- poistný ventil so spätnou klapkou ako príslušenstvo
- krytie IP25
- nerezová príruba s nerezovým ohrievacím telesom
- špeciálny smalt CoPro - obojstranné smaltovanie
- anódová ochrana proti korózii
- vysoké množstvo zmiešanej teplej vody
- krátke doby ohrevu
- vizuálna kontrola teploty vody
- možnosť napojenia na cirkuláciu
- 48 mm tepelná plyuretánová izolácia

| Popis | Rozmery |
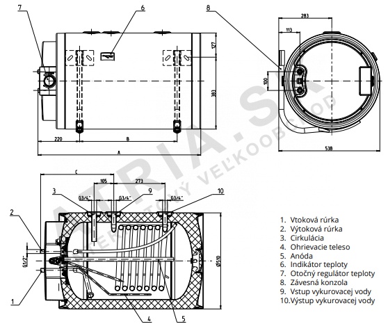
| 1. Výtoková rúrka | A = 1 178 mm |
| 2. Výtoková rúrka | B = 830 mm |
| 3. Cirkulácia | C = 497 mm |
| 4. Ohrievacie teleso | |
| 5. Anóda | |
| 6. Indikátor teploty | |
| 7. Otočný regulátor teploty | |
| 8. Závesná konzola | |
| 9. Vstup vykurovacej vody | |
| 10. Výstup vykurovacej vody |
| Parametre | PSH 120 WE-H | |||
|---|---|---|---|---|
| Menovitý objem (l) | 120 | |||
| Elektrické pripojenie | 1/N/PE ~ 230 V | |||
| Max. prevádzkový tlak (MPa) | 0,6 | |||
| Max. prevádzkový tlak vo výmenníku tepla (MPa) | 0,6 | |||
| Príkon (kW) | 2 | |||
| Tepelné straty (kWh/24h) | 1,691 | |||
| Množstvo 40 °C zmiešanej vody (l) | 181 | |||
| Doba el. ohrevu z 15 °C na 65 °C s príkonom 2 kW (min) | 205 | |||
| Aktívna plocha výmenníka (m2) | 0,6 | |||
| Výkon výmenníka tepla (kW) | 10,7 | |||
| Doba ohrevu z 15 °C na 65 °C s výmenníkom tepla (min) | 30 | |||
| Hmotnosť bez vody (kg) | 54,1 | |||
| Hmotnosť naplneného vodou (kg) | 171,1 | |||
| Hrúbka PU izolácie (mm) | 48 | |||
| Elektrické krytie | IP 25 | |||
| Trieda energetickej účinnosti | C | |||
| øxV (cm) | 51 x 116 | |||
Doplňkové parametry
| Kategorie: | Horizontální |
|---|---|
| Záruka: | 2 roky |
| Hmotnost: | 34 kg |
Buďte první, kdo napíše příspěvek k této položce.
Buďte první, kdo napíše příspěvek k této položce.
O spoločnosti
Historické skúsenosti, stabilné zázemie a moderná technológia nám umožňuje naďalej produkovať široký sortiment ohrievačov vody vysokej kvality pod známou značkou Tatramat.

Naša spoločnosť pôsobí na celosvetovom trhu, s najväčším podielom najmä v európskych krajinách ako sú Česko, Nemecko, Holandsko, Maďarsko, Poľsko, Bulharsko, Ukrajina, Rusko, pobaltské štáty i štáty bývalej Juhoslávie. Produkty sú dodávané i do USA, Kanady a ázijských krajín. Vynikajúce postavenie na Slovensku a v Českej republike vytvára dobré predpoklady rozvoja firmy.
Popri úspešných atestoch hlavne zo západoeuropských skúšobní VDE i Kema, spoločnosť úspešne už v roku 1996 obdržala certifikát riadenia kvality ISO 9001 a v roku 2003 certifikát riadenia kvality ISO 9001:2000. Od roku 2011 je spoločnosť držiteľom certifikátu ISO 14001. Výrobky našej spoločnosti predstavujú u zákazníkov najvyššiu kvalitu a komfort v danom segmente.

Neustále inovácie, vývojová práca nie len v produktovej, ale i technologickej oblasti, neprestajná práca pri získavaní nových odbytových možností, vysoké pracovné nasadenie a angažovanosť zamestnancov tvorí vynikajúci základ pre budúcnosť spoločnosti. Naša spoločnosť má dostatočný sortiment výrobkov, ktoré môže ponúknuť zákazníkovi a disponuje výrobnou ale aj technickou základňou pre splnenie ďalších požiadaviek našich zákazníkov.
História spoločnosti
1845
Začína sa písať história Tatramatu. Majiteľ obchodu v podtatranskej obci Matejovce Carl August Scholtz zakladá strojársku dielňu. Spočiatku vyrába klince a česadlá na dobytok a kone, ktoré sa vtedy dovážali z iných krajín. Do dielne nastupuje syn C.A.Scholtza Jan Emil Scholtz a rozširuje výrobu o pocínovaný a pozinkovaný tovar, predovšetkým pre potreby domácnosti a o ďalšie plechárske výrobky.
1914 - 1945
Sortiment sa prispôsobuje vojenskej výrobe. Vyrábajú sa vojenské šálky, kanvy na mlieko, ručné granáty, poľné fľaše, vojenské prilby a vojenské česadlá na kone, neskôr začala výroba kuchynských sporákov do poľných kuchýň, paráky na zemiaky, pozinkované sudy a smaltované nádoby. Po prekonaní hospodárskej krízy v roku 1940 sa situácia stabilizovala a nastal ďalší rozvoj továrne. 27. októbra 1945 bola továreň dekrétom prezidenta Eduarda Beneša znárodnená. V roku 1946 bol zriadený samostatný podnik Spojené smaltovne, n.p., so sídlom v Matejovciach. Hlavnou náplňou výroby sa stávajú pozinkované a lakované 200 litrové sudy, plechové bubny na asfalt, plechové smaltované nádoby, neskôr hliníkový riad.
1950
1992
Komplexná technologická a výrobková inovácia ohrievačov vody. Do prevádzky boli uvedené najmodernejšie technológie zvárania, smaltovania, vypaľovania, prechod na bezfreónovú polyuretánovú izoláciu - ohrievače novej generácie - EO typ. Do výroby sú zavedené nové typy 10, 30, 50 l ohrievačov vody a plynový 120 l ohrievač vody. Spoločnosť rozvíja rozsiahle exportné aktivity na trhoch Európskej únie, Česka, Ruska, Poľska, Maďarska, Ukrajiny a pobaltských štátov. Akciová spoločnosť TATRAMAT je certifikovaná podľa noriem EN ISO 9001 nemeckou firmou RW TÜV. Zavedenie výroby polystyrénových tvaroviek na balenie v spotrebnom a potravinárskom priemysle. Rozšírenie kooperačnej produkcie plechových a plastových dielcov pre výrobky spotrebného priemyslu. Začiatok výroby káblových (vodičových) zväzkov použiteľných v automobilovom a spotrebnom priemysle. Do výrobného programu zaradené ohrievače vody s nepriamym ohrevom, rozširuje sa výroba nových typov plynových ohrievačov, v ponuke sú aj maloobjemové ohrievače a solárne ohrievače.
2004
2004 - 2019
Vplyvom najmodernejších trendov dochádza k posilneniu vývoja ohrievačov vody, otvoreniu nového vývojového centra so zameraním na tepelné čerpadlá. Prebieha reštrukturalizácia spoločnosti a modernizácia strojového parku. Je vytvorené nové laboratórium pre skúšanie hotových výrobkov, výrobná hala pre výrobu tepelných čerpadiel a nová výrobná linka pre ohrievače vody. I vďaka EU fondom prebieha modernizácia smaltovacieho procesu, pracoviska pre 100% skúšku tesnosti výrobkov a je kompletne prerobená i pec na vypaľovanie smaltu. Výrobné kapacity sú rozšírené otvorením novej nástrojárne pre výrobu foriem.
2020
2021
Teplý kúpeľ dostal nové meno. Rovnako tiež ekonomický a ekologický spôsob ohrevu vody. Zo značky Tatramat sa stáva STIEBEL ELTRON. Závod v popradských Matejovciach naďalej vyrába produkty slúžiace na ohrev vody, avšak pod menom STIEBEL ELTRON.
