Řešení s podlahovým vytápěním
Kondenzační kotle lmmergas typů VICTRIX, HERCULES mohou po úpravě můstku na elektronické desce kotle přímo napájet topný systém s nízkou teplotou. Například u typu lmmergas VICTRIX lze nastavit regulační rozsah vstupních teplot do topného systému od 25 °C do 50 °C. Za těchto podmínek je vhodné zapojit do série s přívodem do kotle bezpečnostní termostat s mezní teplotou 60 °C (pro tento konkrétní případ). U výše uvedeného typu musí být tento termostat umístěn na výstupním potrubí do topného systému ve vzdálenosti nejméně 2 m od kotle.
Připojení 2 nebo 3 zón DIM ke kondenzačním kotlům
Po přímém nastavení kotle na nízkoteplotní provoz umožní použití zónové jednotky DIM 2 nebo DIM 3 ovládání nízkoteplotních okruhů (např. podlahového vytápění) v zónách, jak je znázorněno v následujícím příkladu.
Pokud je pro zónovou regulaci použit CAR nebo Super CAR, je jeho elektrické připojení provedeno přímo ke kotli. CAR (nebo Super CAR) bude ovládat jednu zónu, která je definována jako hlavní zóna na hydraulickém rozdělovači. Zařízení CAR (nebo Super CAR) musí být nastaveno na provozní režim On-Off (viz pokyny v návodu k obsluze daného zařízení).
Při použití CAR (nebo Super CAR) musí zůstat elektrické vodiče termostatu prostředí hlavní zóny na hydraulickém rozdělovači volné.
Elektrická přípojka mezi kotlem a DIM nesmí být delší než 15 metrů.
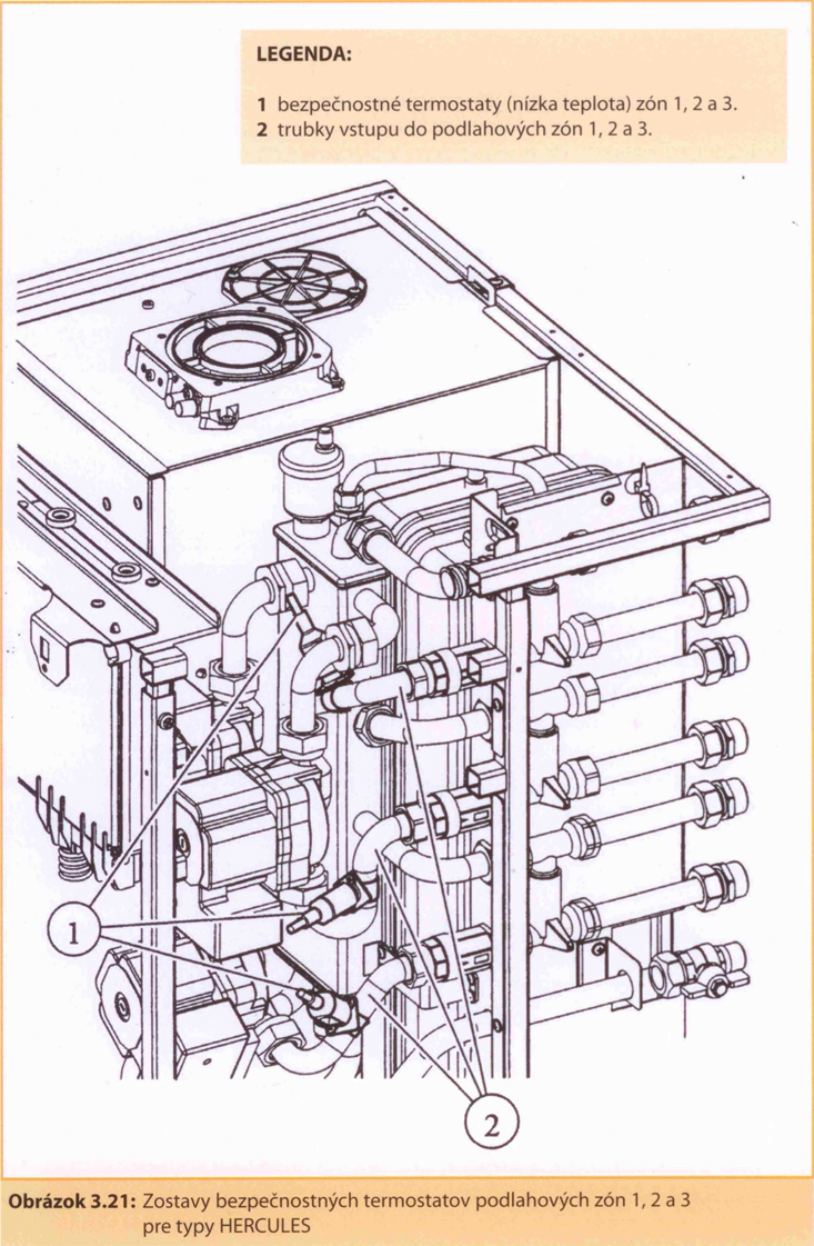
Sestavy pro 2- nebo 3zónové provedení pro typy HERCULES (od společnosti Immergas)
Kotel HERCULES může přímo provozovat nízkoteplotní systém: toho lze dosáhnout nastavením teplotního spádu na elektronické desce kotle v rozmezí 25-45 °C na vstupu do topného systému.
Připojení 2 nebo 3zónových regulačních sad umožní kotli obsluhovat systémy rozdělené pouze na nízkoteplotní zóny. U kotle, který pracuje přímo s nízkoteplotním okruhem, musí být instalován bezpečnostní prvek, který zajistí, že v případě poruchy teplota nepřekročí mezní hodnotu 55 °C, která by mohla způsobit problémy v nízkoteplotním okruhu.
Nízkoteplotní bezpečnostní termostat je zapojen do série s oběhovým čerpadlem systému, takže při překročení mezní teploty (55 °C) termostat vypne čerpadlo.


