Stiebel Eltron SB-VTH 150 - horný vývod
Code: 200155Related products
Product detailed description
Stiebel Eltron SB-VTH 150
- náhrada za Tatramat VTH 150
- stacionárny ohrievač vody s nepriamym ohrevom - horný vývod
- objem: 150 litrov
Akumulačné tlakové ohrievače s nepriamym ohrevom vody sú efektívne využiteľné hlavne pri veľkom odbere teplej vody, pričom na nich môže byť napojených niekoľko odberných miest teplej vody.
Nádrž ohrievačov je vyrobená z pevného oceľového plechu a jeho vnútorná časť je proti korózii chránená kvalitným smaltom a anódovou ochranou.
Ohrev vody tepelnými výmenníkmi siahajúcimi až ku dnu nádrže ohrievača zabraňuje vzniku kritických studených zón s choroboplodnými zárodkami.
V spodnej časti ohrievača sa nachádza nátrubok umožňujúci inštaláciu prídavného elektrického ohrevu s výkonom 2 kW.
Jednoduchá inštalácia, ovládanie a údržba
- jednoduché pripojenie k závesným kotlom ústredného kúrenia
- výškovo nastaviteľné nohy na elimináciu nerovností povrchu
Viacstupňová ochrana
- poistka proti zamrznutiu vody
- poistka proti prehriatiu ohrievača s funkciou resetu
Dlhá životnosť
- špeciálny smalt CoPro - obojstranné smaltovanie
- anódová ochrana proti korózii
Užívateľský komfort
- rýchla doba ohrevu a dohrievania
- veľké množstvo zmiešanej vody
- možnosť nastavenia optimálnej prevádzky prostredníctvom termostatu kotla ústredného kúrenia
- možnosť montáže elektrického ohrevu s príkonom 2 kW
Úspornosť a nízka energetická náročnosť
- tepelná polyuretánová izolácia
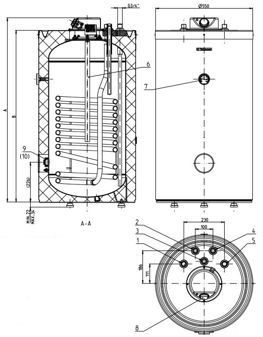
Popis a rozmery

P
opisRozme
| Popis | Rozmery |
| 1. Vstup vykurovacej vody (G¾") | A = 1 285 mm |
| 2. Vstup studenej vody (G¾") | B = 1 213 mm |
| 3. Cirkulácia (G¾") | |
| 4. Výstup teplej vody (G¾") | |
| 5. Výstup vykurovacej vody (G¾") | |
| 6. Anóda | |
| 7. Teplomer | |
| 8. Otočný regulátor teploty | |
| 9. Nátrubok na montáž príruby HP 2/040 | |
| 10. Príruba HP 2/040 s 2 kW elektrickým
ohrievacím telesom (Príslušenstvo)
|
| Parametere | SB-VTH 150 | |||
|---|---|---|---|---|
| Objem (l) | 155 | |||
| Spôsob ohrevu | cirkulačná voda ÚK | |||
| Vyhotovenie | tlakový | |||
| Pretlak v nádrži (MPa) | 1 | |||
| Max. vypínacia teplota termostatu (°C) | 80 (- 6) | |||
| Typ výmenníka | rúrkový | |||
| Pretlak vo výmenníku (MPa) | 1 | |||
| Aktívna plocha výmenníka (m2) | 1,0 | |||
| Výkon výmenníka tepla (kW) | 20 | |||
| Tepelné straty (podľa EN 60379) (kWh/d) | 1,45 | |||
| Inf. čas ohrevu výmenníkom o 35°C (min) | 23 | |||
| Množstvo ohriatej vody o 35 °C (l/hod) | 480 | |||
| Hmotnosť bez vody (kg) | 73 | |||
| Elektrické krytie | IP 24 | |||
| Trieda energetickej účinnosti | C | |||
| ø x V (cm) | 52 x 126,7 | |||
-
Dobrý deň, máme zásobník vody tatramat, podľa rozmeru by to mal byť Tatramat VT150H cca už 10 rokov. Dá sa objednať k nemu nové tesnenie príruby, anódová tyč? Potrebovali by sme k nemu aj nejaký nákres... Ďakujem za odpoveď.
-
Dobrý deň, Náhradné diely na zásobník vody Tatramat VT 150 H žiaľ v našej ponuke nemáme. Prajem pekný deň.
-
Dobry den, potrebujem surne bojler tatramat vt150h kat.c. 410100 za kolko dni je to dostupne. dakujem
-
Dobrý deň, vzhľadom na to, že je čerstvo po sviatkoch, neviem Vám garantovať dodanie ani do týždňa. Pekný deň
Additional parameters
| Category: | ohrievače stacionárne s nepriamym ohrevom |
|---|---|
| Warranty: | 2 years |
| Weight: | 80 kg |
| The item has been sold out… | |
Be the first who will post an article to this item!
List of discussions
L
lado
Dobry den, potrebujem surne bojler tatramat vt150h kat.c. 410100 za kolko dni je to dostupne. dakujem
A
atria
Dobrý deň, vzhľadom na to, že je čerstvo po sviatkoch, neviem Vám garantovať dodanie ani do týždňa. Pekný deň
M
milan
Dobrý deň, máme zásobník vody tatramat, podľa rozmeru by to mal byť Tatramat VT150H cca už 10 rokov. Dá sa objednať k nemu nové tesnenie príruby, anódová tyč? Potrebovali by sme k nemu aj nejaký nákres... Ďakujem za odpoveď.
A
atria
Dobrý deň, Náhradné diely na zásobník vody Tatramat VT 150 H žiaľ v našej ponuke nemáme. Prajem pekný deň.
