Prietokomer s obmedzovačom prietoku vody (1,13 m³/h)
Kód: DNM_RM-PMV5Podrobný popis
Prietokomer na meranie a obmedzenie prietoku vody - 1,13 m³/h
Prietokomer s integrovaným obmedzovačom prietoku určený na meranie a stabilizáciu prietoku vody v systémoch úpravy vody. Vďaka priehľadnému akrylátovému telu je hodnota prietoku ľahko čitateľná a vhodná aj pre laboratórne či priemyselné aplikácie.
Kľúčové vlastnosti
- Meranie + obmedzenie prietoku v jednom – spoľahlivá a stabilnejšia prevádzka.
- Priehľadné telo z vysoko odolného akrylátu – rýchla vizuálna kontrola prietoku.
- Presnosť merania ±4 % – vhodné aj pre technické a laboratórne použitie.
- Montáž na stenu / do panelu – ideálne do rozvádzačov a technologických zostáv.
- Kombinované závitové pripojenie – vonkajší aj vnútorný závit pre flexibilnú inštaláciu.
Na čo slúži prietokomer s obmedzovačom prietoku
Tento prietokomer je určený na meranie a zároveň obmedzenie prietoku vody, čím pomáha chrániť nadväzujúce komponenty (filtre, membrány, UV zariadenia) pred preťažením a zlepšuje stabilitu celého systému. V praxi je ideálny všade tam, kde je dôležité dodržať konštantný prietok.
Vhodné použitie
- Priemyselné a technologické aplikácie - kontrola a stabilizácia prietoku
- Laboratórne zostavy - kde je dôležitá čitateľnosť a opakovateľnosť merania
- Systémy úpravy vody - filtrácia, dávkovanie, testovacie okruhy
Inštalačné tipy
- Pri montáži dodržte správny smer prúdenia (podľa značenia na tele).
- Odporúčame umiestniť tak, aby bola stupnica ľahko čitateľná (najmä pri panelovej montáži).
- Pri vyšších nečistotách vo vode zaraďte pred prietokomer mechanický predfilter, aby sa predĺžila životnosť.
Technické parametre
Prietoková kapacita: 1136 l/h
Presnosť merania: ±4 %
Veľkosť a typ pripojenia : 1/2″ vonkajší závit + 1/4" vnútorný závit
Materiál telesa / pripojenia: Priehľadný odolný akrylát / plast
Max. pracovný tlak: 6 bar
Teplota vody: 0 – 40 °C
Montáž: Do panelu / na stenu
Vhodné použitie: Priemyselné aj laboratórne
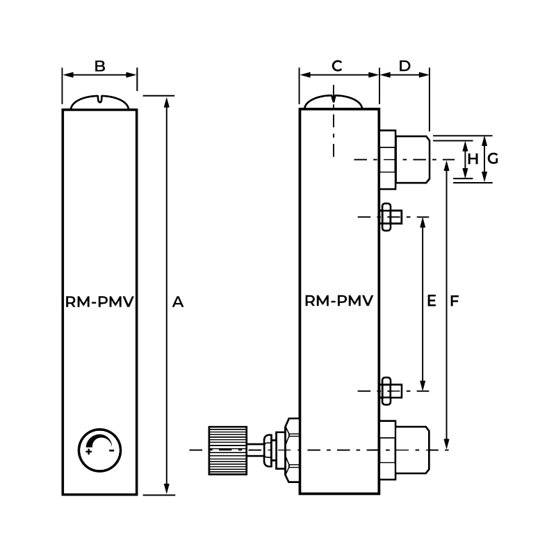
Rozmery
A = 176 mm, B = 32 mm, C = 35 mm,
D = 27 mm, E = 76 mm, F = 127 mm,
G = 1/2", H = 1/4"
Dodatočné parametre
| Kategória: | Filtrácia |
|---|---|
| EAN: |
Buďte prvý, kto napíše príspevok k tejto položke.
Buďte prvý, kto napíše príspevok k tejto položke.

