Stiebel Eltron PSH 200 WE-H
Code: 236241Related products
Action
–10 %
Protherm Panther Condens 25 KKO - model 2021
Skladom u dodávateľa
1 480,01 €
Action
–49 %
Avansa 2007
Skladom
(21 pcs)
26,68 €
Avansa 2007 - programmable weekly thermostat The Avansa 2007 room...
Product detailed description
Stiebel Eltron PSH 200 WE-H
- náhrada za Tatramat LOVK 200
- kombinovaný horizontálny závesný ohrievač vody s rúrkovým výmenníkom tepla 0,6 m2
- objem: 200 litrov
- výkon: 2 kW
Produktovú radu PSH H tvoria zásobníkové nástenné kombinované ohrievače vody v okrúhlom vyhotovení. Sú jedinečné svojou kvalitou, dizajnom vyhotoveným špičkovými dizajnérmi i svojimi prevádzkovými vlastnosťami.
Vodu je možné ohrievať celonerezovým ohrievacím telesom a rúrkovým výmenníkom tepla.
Súčasťou inštalácie musí byť čerpadlo ústredného kúrenia, ktoré nie je súčasťou dodávky.
Jednoduchá inštalácia, ovládanie a údržba
- zvislé alebo ležaté vyhotovenie
- ergonomicky tvarované úchyty
- možnosť inštalácie nad vaňu
- samostatná jímka pre snímač externého zdroja tepla
- vonkajšie nastavenie optimálnej teploty ohrevu prevádzkovým termostatom
Viacstupňová ochrana
- bezpečnostný termostat
- poistka proti zamrznutiu vody
- poistka proti prehriatiu ohrievača s funkciou resetu
- poistný ventil so spätnou klapkou ako príslušenstvo
- krytie IP25
Dlhá životnosť
- nerezová príruba s nerezovým ohrievacím telesom
- špeciálny smalt CoPro - obojstranné smaltovanie
- anódová ochrana proti korózii
Užívateľský komfort
- vysoké množstvo zmiešanej teplej vody
- krátke doby ohrevu
- vizuálna kontrola teploty vody
- možnosť napojenia na cirkuláciu
Úspornosť a nízka energetická náročnosť
- 48 mm tepelná plyuretánová izolácia
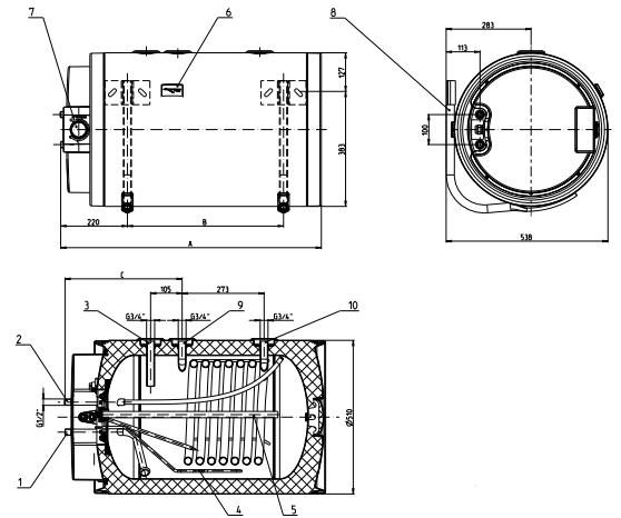
Popis a rozmery

PopisRozmer
| Popis | Rozmery |
| 1. Výtoková rúrka | A = 1 715 mm |
| 2. Výtoková rúrka | B = 1 350 mm |
| 3. Cirkulácia | C = 1 034 mm |
| 4. Ohrievacie teleso | |
| 5. Anóda | |
| 6. Indikátor teploty | |
| 7. Otočný regulátor teploty | |
| 8. Závesná konzola | |
| 9. Vstup vykurovacej vody | |
| 10. Výstup vykurovacej vody |
| Parametere | PSH 200 WE-H | |||
|---|---|---|---|---|
| Menovitý objem (l) | 191 | |||
| Elektrické pripojenie | 1/N/PE ~ 230 V | |||
| Max. prevádzkový tlak (MPa) | 0,6 | |||
| Max. prevádzkový tlak vo výmenníku tepla (MPa) | 0,6 | |||
| Príkon (kW) | 2 | |||
| Tepelné straty (kWh/24h) | 2,31 | |||
| Množstvo 40 °C zmiešanej vody (l) | 313 | |||
| Doba el. ohrevu z 15 °C na 65 °C s príkonom 2 kW (min) | 347 | |||
| Aktívna plocha výmenníka (m2) | 0,6 | |||
| Výkon výmenníka tepla (kW) | 11,6 | |||
| Doba ohrevu z 15 °C na 65 °C s výmenníkom tepla (min) | 55 | |||
| Hmotnosť bez vody (kg) | 72,5 | |||
| Hmotnosť naplneného vodou (kg) | 268,5 | |||
| Hrúbka PU izolácie (mm) | 48 | |||
| Elektrické krytie | IP 25 | |||
| Trieda energetickej účinnosti | C | |||
| øxV (cm) | 51 x 169,7 | |||
Additional parameters
| Category: | horizontálne |
|---|---|
| Warranty: | 2 years |
| Weight: | 57 kg |
Action
–49 %
Avansa 2007
Skladom
(21 pcs)
26,68 €
Avansa 2007 - programmable weekly thermostat The Avansa 2007 room...
Action
–57 %
Rozdeľovač mosadzný 6 cestný pre podlahové kúrenie
Skladom ZA
(4 pcs)
111,56 €
Divider brass 6 way for underfloor heating, 1 "connection The...
-
(491 kB) Technický list
-
(11,04 MB) Návod na použitie
-
(61 kB) Energetický štítok a dátový list
-
(89 kB) Vyhlásenie o zhode
Be the first who will post an article to this item!
Add a rating
Add a comment
List of discussions
Š
Štefan
23/11/2022 11:49
Dobry den,je tento model dostupny v tej dobe 4 az 7 dni, ako ponukate? https://www.atria.sk/stiebel-eltron-psh-200-we-h/
A
Atria
23/11/2022 11:52
Dobrý deň, áno produkt je momentálne dostupný. Pekný deň
